Why buy from us?
Lorem Ipsum is simply dummy text of the printing and typesetting industry.
Ask a Question About This Product
- Stock: In Stock
- Model: KOLAUT-PP-25YCY
- Weight: 1.00
- SKU: KOLAUT-PP-25YCY
Available Options
The variable displacement piston pump has a hydrostatic balance structure between the slide shoe and the variable head and between the oil distribution plate and the cylinder, which has the advantages of simple structure, small size, high efficiency, long life, light weight and strong self-priming ability compared with other types of piston pumps.
Specification
- Model: KOLAUT-PP-25YCY
- Max Drive Power: 30 hp (24 kW)
- Driving Method: Hydraulic
- Theoretic Flow: 1000rpm (25L), 1500rpm (37.5L)
- Number of Impellers: Single stage
- Pump Shaft Position: Horizontal
- Nominal Displacement: 25 cc/rev
- Nominal pressure: 31.5 Mpa
- Material: Cast iron
- Weight: 36 kg
- Warranty: 12 Months
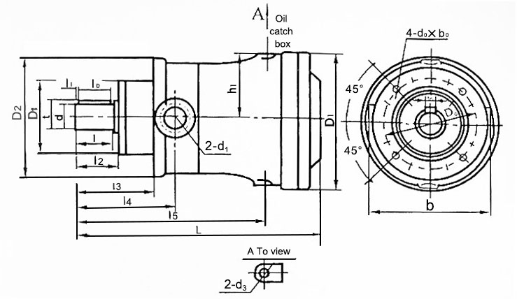
30 hp (24 kW) Axial Piston Pump Dimension (unit: mm)

| B | b | bo (N9) | b1 | b2 | D0 | D1 (f9) | D2 | D3 | d (h6) | d1 | d3 |
| 198 | 172 | 8 | 66 | 100 | 125 | 100 | 150 | 170 | 30 | M33 x 2 | M14 x 1.5 |

| h1 | L | I | I0 | I1 | I2 | I3 | I4 | I5 | t | d0 x h0 |
| 83 | 308 | 52 | 45 | 4 | 54 | 104 | 134 | 237 | 32.5 | M10 x 15 |
Axial Piston Pump Detail

Tips: Types of piston pumps
The two main types of piston pumps are lift pumps and force pumps. Both types can be operated by hand or engine.
Lift pumps
In a lift pump, the upward stroke of the piston draws water into the lower part of the cylinder through a valve. In the downstroke, the water enters the upper part of the cylinder through a valve set in the piston. In the next upstroke, water is discharged from the upper part of the cylinder through a nozzle. This type of pump is limited by the height of water that can be supported by air pressure against vacuum.
Force pumps
In a force pump, the upper stroke of the piston draws water through the inlet valve into the cylinder. In the downstroke, the water is discharged through the discharge valve into the discharge pipe.