Why buy from us?
Lorem Ipsum is simply dummy text of the printing and typesetting industry.
Ask a Question About This Product
- Stock: In Stock
- Model: KOLAUT-PP-400YCY
- Weight: 1.00
- SKU: KOLAUT-PP-400YCY
Available Options
High efficiency single acting axial piston pump, maximum drive power 300 hp, nominal flow rate of 400L/min at 1000r/min, nominal flow rate of 600L/min at 1000r/min,replacement motor oil pan can also be used for motor.
Specification
- Model: KOLAUT-PP-400YCY
- Max Drive Power: 300 hp (250 kW)
- Driving Method: Hydraulic
- Theoretic Flow: 1000rpm (400L), 1500rpm (600L)
- Number of Impellers: Single stage
- Pump Shaft Position: Horizontal
- Nominal Displacement: 400 cc/rev
- Nominal pressure: 31.5 Mpa
- Material: Cast iron
- Weight: 370 kg
- Warranty: 12 Months
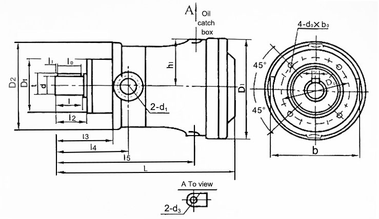
Single Acting Axial Piston Pump Dimension (unit: mm)

| B | b | bo (N9) | b1 | b2 | b3 | D0 | D1 (f9) | D2 | D3 | d (h6) | d1 | d3 |
| 385 | 420 | 18 | 100 | 140 | 110 | 230 | 180 | 280 | 360 | 60 | 65 | M27 x 1.5 |

| h1 | h3 | L | I | I0 | I1 | I2 | I3 | I4 | I5 | t | d0 x h0 |
| 170 | 25 | 632 | 110 | 100 | 5 | 112 | 212 | 277 | 502 | 63.9 | M20 x 45 |
Axial Piston Pump Detail

Tips: What causes the axial piston pump work when the pressure gauge pointer is unstable?
1. Serious wear between the oil plate and cylinder body or plunger and cylinder body, so that the internal and external leakage is too large.
Treatment: check and repair the mating surface of the oil plate and cylinder body; single-cylinder research, replace the plunger; tighten the connecting screws to exclude leakage.
2. If it is axial piston variable pump, it may be because the variable angle of the variable mechanism is too small, resulting in too small flow and relatively large internal leakage. Therefore, it can not continuously supply oil and make the pressure unstable.
Treatment: appropriately increase the variable angle L of the variable mechanism and eliminate the internal leakage.
3. Blockage of oil inlet pipe, large suction resistance and air leakage may cause unstable pressure gauge pointer.
Treatment: The oil inlet pipe is blocked, and the liquid flow resistance is large. Can unclog the oil pipeline to replace or remove the filter, check and solid into the oil pipe section of the connection screw, to exclude air leakage. (If the filter needs to be replaced once every three months)