Why buy from us?
Lorem Ipsum is simply dummy text of the printing and typesetting industry.
Ask a Question About This Product
- Stock: In Stock
- Model: KOLAUT-PP-63YCY
- Weight: 1.00
- SKU: KOLAUT-PP-63YCY
Available Options
Variable axial piston pump power 80 hp, rated pressure 31.5 MPa, can change the flow rate provided to the load, widely used in machine tools forging, metallurgy, engineering, mining, shipping and other machinery and other hydraulic transmission systems.
Specification
- Model: KOLAUT-PP-63YCY
- Max Drive Power: 80 hp (59 kW)
- Driving Method: Hydraulic
- Theoretic Flow: 1000rpm (63L), 1500rpm (94.5L)
- Number of Impellers: Single stage
- Pump Shaft Position: Horizontal
- Nominal Displacement: 63 cc/rev
- Nominal pressure: 31.5 Mpa
- Material: Cast iron
- Weight: 71 kg
- Warranty: 12 Months
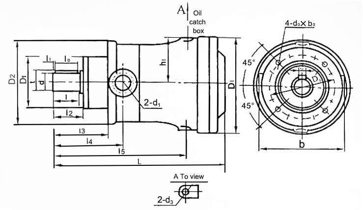
80 hp Axial Piston Pump Dimension (unit: mm)

| B | b | bo (N9) | b1 | b2 | D0 | D1 (f9) | D2 | D3 | d (h6) | d1 | d3 |
| 258 | 200 | 12 | 74 | 104 | 155 | 120 | 190 | 225 | 40 | M42 x 2 | M18x 1.5 |

| h1 | L | I | I0 | I1 | I2 | I3 | I4 | I5 | t | d0 x h0 |
| 108 | 365 | 60 | 50 | 4 | 62 | 122 | 157 | 300 | 42.8 | M12 x 25 |
Axial Piston Pump Detail

Tips: Application of piston pump
The piston pump is suitable for high pressure and small flow rate, especially when the flow rate is less than 100 m3/hour and the discharge pressure is more than 9.8 MPa, it shows its high efficiency and good operating performance. It has good suction performance and can pump various different mediums and liquids of different viscosities. Therefore, it is widely used in petrochemical industry, machinery manufacturing industry, paper making, food processing, pharmaceutical production, etc. Low to medium speed piston pump speed is low, can be operated by human and animal dragging, suitable for rural water supply and small irrigation.